Filter by
Manufacturers
Motorcycle brand
more... less
Motorcycle Model
more... less
Motorcycle Year
more... less
Price
Filter

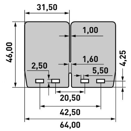
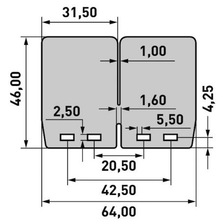
V-FORCE Reed valve - Page 60